No products in the cart.
01 - BODY
02 - CONTROL PANEL AND INTERNAL CONTROLS
03 - DOOR
04 - OVEN
05 - SUPPLEMENTAL INFORMATION
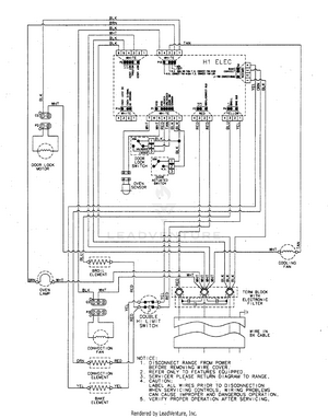
06 - WIRING INFORMATION
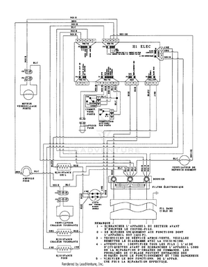
07 - WIRING INFORMATION