No products in the cart.
01 - BODY
02 - CONTROL PANEL
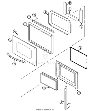
03 - DOOR
04 - INTERNAL CONTROLS
05 - MICROWAVE
06 - MICROWAVE TRIM & ATTACHMENTS
07 - OVEN
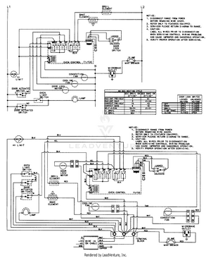
08 - WIRING INFORMATION