No products in the cart.
01 - COVER SHEET
02 - TOP AND CABINET PARTS
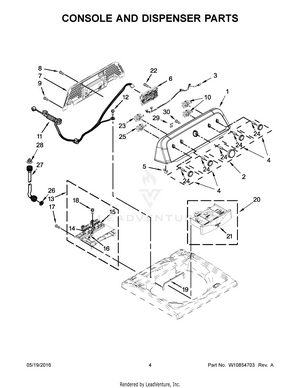
03 - CONSOLE AND DISPENSER PARTS
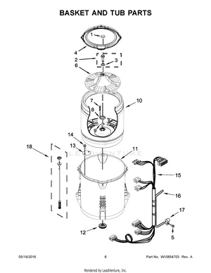
04 - BASKET AND TUB PARTS
05 - GEARCASE, MOTOR AND PUMP PARTS
06 - OPTIONAL PARTS (NOT INCLUDED)