No products in the cart.
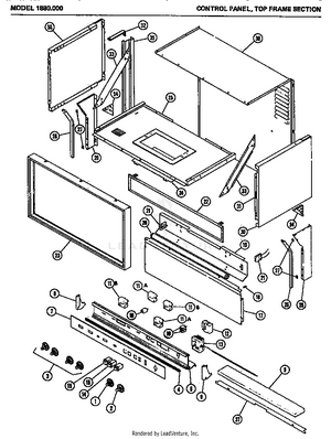
01 - CONTROL PANEL
02 - LOWER FRAME
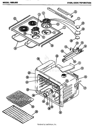
03 - OVEN
04 - OVEN DOOR SECTION
05 - Page 1