• support@appliancepartsking.com
  • Store Location
  • About Us
  • Register / Sign In
Facebook Twitter Instagram
Appliance Parts King
CALL US NOW 1-877-788-5464(KING)
0 Cart: 0 item(s) $0.00

You have 0 item(s) in your cart

No products in the cart.

Categories
  • Refrigerators
  • Freezers
  • Ice Machines
  • Washing Machines
  • Dryers
  • Dishwashers
  • Ovens / Ranges / Cooktops
  • Garbage Disposal
Menu
  • Home
  • Shop by Brand
  • Blog
  • About Us
  • Contact Us

How to navigate the exploded view

  1. Choose an assembly.
  2. Click on your desired part.
  3. Your part will be displayed in the part list.

01 - CABINET BACK

02 - CABINET BACK SERIES 50+

03 - COMPRESSOR

04 - COMPRESSOR SERIES 50+

05 - CRISPER ASSY

06 - CRISPER ASSY SERIES 50+

07 - DELI AND REF SHELF

08 - DELI AND REF SHELF SERIES 50+

09 - ELEC CONTROL AND TOE GRILLE

10 - ELEC CONTROL AND TOE GRILLE SERIES 50+

11 - EVAP FAN ASSY AND CONTROLS

12 - EVAP FAN ASSY AND CONTROLS SERIES 50+

13 - EVAPORATOR ASSY AND ROLLERS

14 - EVAPORATOR ASSY AND ROLLERS SERIES 50+

15 - FREEZER DOOR

16 - FREEZER DOOR SERIES 50+

17 - FZ DOOR AND FACADE

18 - FZ DOOR AND FACADE SERIES 50+

19 - FZ SHELF

20 - FZ SHELF SERIES 50+

21 - HANDLES AND TRIM

22 - HANDLES AND TRIM SERIES 50+

23 - HINGES

24 - HINGES SERIES 50+

25 - ICE BUCKET ASSY

26 - ICE BUCKET ASSY SERIES 50+

27 - ICE MAKER

28 - ICE MAKER SERIES 50+

29 - LIGHTS AND ICE MAKER

30 - LIGHTS AND ICE MAKER SERIES 50+

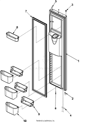
31 - REFRIGERATOR DOOR

32 - REFRIGERATOR DOOR SERIES 50+

33 - SUPPLEMENTAL INFORMATION

34 - SUPPLEMENTAL INFORMATION SERIES 50+

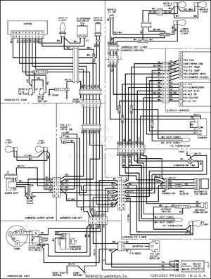
35 - WIRING INFORMATION

36 - WIRING INFORMATION SERIES 50+

CONTACT INFOMATION

ADDRESS

622 N Federal Hwy, Boynton Beach FL 33435

PHONE

1-877-788-5464(KING)

EMAIL

support@appliancepartsking.com

Facebook-f X-twitter Instagram

CONTACT INFOMATION

Get all the latest information on Events, Sales and Offers. Sign up for newsletter today.

My Account

  • Register / Sign In
  • Order Tracking
  • Wishlist

Infomation

  • Blog
  • Contact Us
  • Privacy Policy
  • Terms & Conditions
  • FAQ’s

Customer Services

  • Shipping & Returns
  • Secure Shopping
  • International Shipping
  • Affiliates
  • Contact

Payment & Shipping

  • Terms of Use
  • Payment Methods
  • Shipping Guide
  • Locations We Ship To
  • Estimated Delivery Time

© Copyright Appliance Parts King. All Rights Reserved.

Main Menu x
  • Home
  • Shop by Brand
  • Blog
  • About Us
  • Contact Us
  • Refrigerators
  • Freezers
  • Ice Machines
  • Washing Machines
  • Dryers
  • Dishwashers
  • Ovens / Ranges / Cooktops
  • Garbage Disposal