No products in the cart.
01 - CABINET BACK
02 - COMPRESSOR
03 - CONTROLS
04 - EVAPORATOR AREA & ROLLERS
05 - FREEZER DOOR
06 - INTERIOR CABINET & FREEZER SHELVING
07 - OPTIONAL ICE MAKER KIT IC11B P1328003W
08 - REFRIGERATOR DOOR
09 - REFRIGERATOR SHELVING
10 - SUPPLEMENTAL INFORMATION
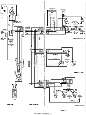
11 - WIRING INFORMATION