No products in the cart.
01 - COVER SHEET
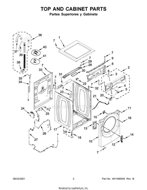
02 - TOP AND CABINET PARTS
03 - DOOR PARTS
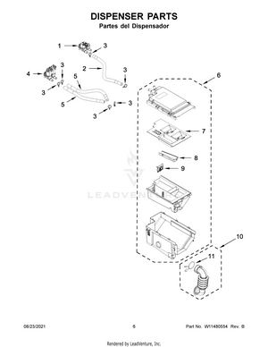
04 - DISPENSER PARTS
05 - WATER SYSTEM PARTS
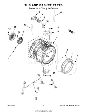
06 - TUB AND BASKET PARTS
07 - OPTIONAL PARTS (NOT INCLUDED)