No products in the cart.
01 - COVER SHEET
02 - COLOR VARIATION PARTS
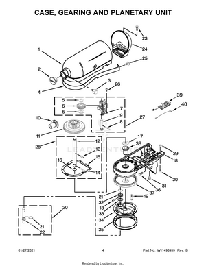
03 - CASE, GEARING AND PLANETARY UNIT
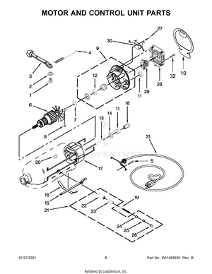
04 - MOTOR AND CONTROL UNIT PARTS
05 - BASE AND PEDESTAL UNIT