No products in the cart.
01 - CONTROL PANEL
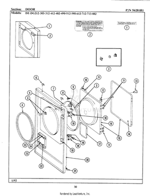
02 - DOOR
03 - FRONT VIEW
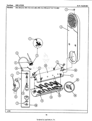
04 - HEATER
05 - MOTOR DRIVE
06 - MOTOR DRIVE-THERMOSTATS
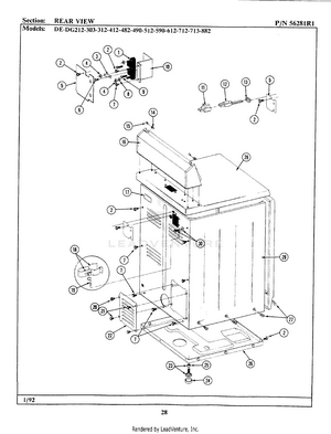
07 - REAR VIEW
08 - TUMBLER-BEIGE
09 - TUMBLER-GRAY