• support@appliancepartsking.com
  • Store Location
  • About Us
  • Register / Sign In
Facebook Twitter Instagram
Appliance Parts King
CALL US NOW 1-877-788-5464(KING)
0 Cart: 0 item(s) $0.00

You have 0 item(s) in your cart

No products in the cart.

Categories
  • Refrigerators
  • Freezers
  • Ice Machines
  • Washing Machines
  • Dryers
  • Dishwashers
  • Ovens / Ranges / Cooktops
  • Garbage Disposal
Menu
  • Home
  • Shop by Brand
  • Blog
  • About Us
  • Contact Us

How to navigate the exploded view

  1. Choose an assembly.
  2. Click on your desired part.
  3. Your part will be displayed in the part list.

01 - 24596 & 24597 MIXING VALVE ASSEMBLIES

02 - 25178 PUMP ASSY

03 - 25832 & 25833 MIXING VALVE ASSEMBLIES

04 - ACCESSORIES

05 - AGITATOR POST & SPIN TUB

06 - AGITATOR, SHAFT & FABRIC SOFTENER DISP

07 - BLEACH DISPENSER

08 - BOOT, CHASSIS & DRAIN TUB

09 - CABINET TOP & LOADING DOOR

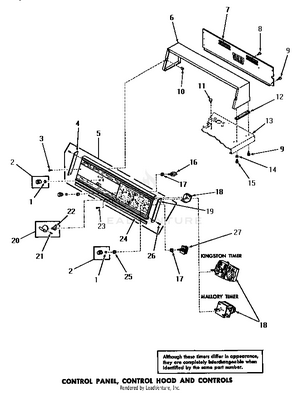
10 - CONTROL PANEL, CONTROL HOOD & CONTROLS

11 - COUNTERBALANCE WEIGHT, BRKT & MTG PLATE

12 - DOOR SAFETY SWITCH

13 - DRAIN

14 - MAIN BEARING ASSY

15 - MIXING VALVES

16 - MIXING VALVES

17 - MOTOR & FLUID DRIVE

18 - PANELS

19 - POWER CORD, WIRE & TERMINALS

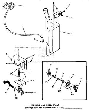
20 - RESERVOIR & DRAIN VALVE

21 - RESERVOIR & DRAIN VALVE

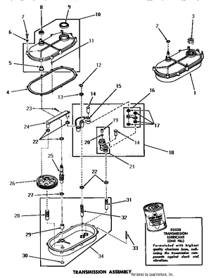
22 - TRANSMISSION ASSY

23 - WATER INLET & FILLER HOSE

24 - WATER INLET & FILLER HOSE

CONTACT INFOMATION

ADDRESS

622 N Federal Hwy, Boynton Beach FL 33435

PHONE

1-877-788-5464(KING)

EMAIL

support@appliancepartsking.com

Facebook-f X-twitter Instagram

CONTACT INFOMATION

Get all the latest information on Events, Sales and Offers. Sign up for newsletter today.

My Account

  • Register / Sign In
  • Order Tracking
  • Wishlist

Infomation

  • Blog
  • Contact Us
  • Privacy Policy
  • Terms & Conditions
  • FAQ’s

Customer Services

  • Shipping & Returns
  • Secure Shopping
  • International Shipping
  • Affiliates
  • Contact

Payment & Shipping

  • Terms of Use
  • Payment Methods
  • Shipping Guide
  • Locations We Ship To
  • Estimated Delivery Time

© Copyright Appliance Parts King. All Rights Reserved.

Main Menu x
  • Home
  • Shop by Brand
  • Blog
  • About Us
  • Contact Us
  • Refrigerators
  • Freezers
  • Ice Machines
  • Washing Machines
  • Dryers
  • Dishwashers
  • Ovens / Ranges / Cooktops
  • Garbage Disposal