No products in the cart.
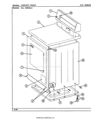
01 - CABINET-FRONT
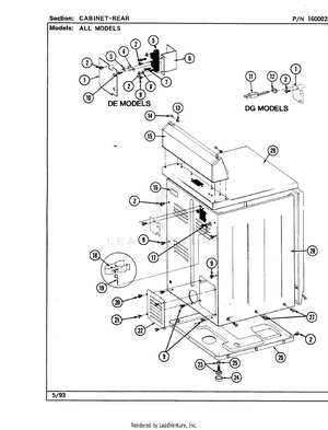
02 - CABINET-REAR
03 - CONTROL PANEL
04 - DOOR
05 - HEATER
06 - MOTOR DRIVE
07 - THERMOSTATS
08 - TUMBLER