• support@appliancepartsking.com
  • Store Location
  • About Us
  • Register / Sign In
Facebook Twitter Instagram
Appliance Parts King
CALL US NOW 1-877-788-5464(KING)
0 Cart: 0 item(s) $0.00

You have 0 item(s) in your cart

No products in the cart.

Categories
  • Refrigerators
  • Freezers
  • Ice Machines
  • Washing Machines
  • Dryers
  • Dishwashers
  • Ovens / Ranges / Cooktops
  • Garbage Disposal
Menu
  • Home
  • Shop by Brand
  • Blog
  • About Us
  • Contact Us

How to navigate the exploded view

  1. Choose an assembly.
  2. Click on your desired part.
  3. Your part will be displayed in the part list.

01 - 23907 AND 24304 PUMP ASSEMBLIES

02 - 24596 & 24597 MIXING VALVE ASSEMBLIES

03 - 25178 PUMP ASSY

04 - 25832 & 25833 MIXING VALVE ASSEMBLIES

05 - ACCESSORIES

06 - AGITATOR POST & SPIN TUB

07 - AGITATOR, SHAFT & FABRIC SOFTENER DISP

08 - BLEACH DISPENSER

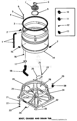
09 - BOOT, CHASSIS & DRAIN TUB

10 - CABINET TOP & LOADING DOOR

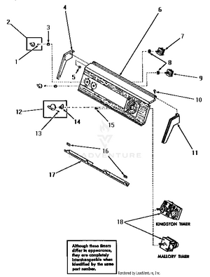
11 - CONTROL HOOD

12 - CONTROL PANEL, CONTROL HOOD & CONTROLS

13 - COUNTERBALANCE WEIGHT, BRKT & MTG PLATE

14 - DOOR SAFETY SWITCH

15 - DRAIN

16 - MAIN BEARING ASSY

17 - MIXING VALVES

18 - MOTOR & FLUID DRIVE

19 - PANELS

20 - POWER CORD, WIRE & TERMINALS

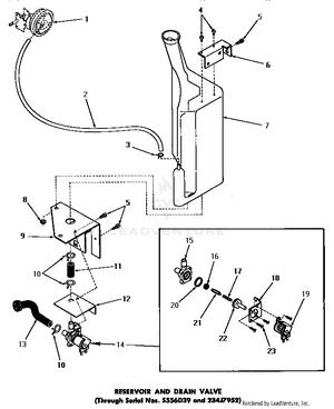
21 - RESERVOIR & DRAIN VALVE

22 - RESERVOIR & DRAIN VALVE

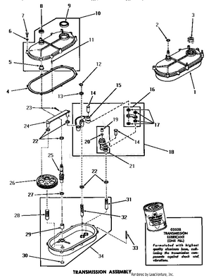
23 - TRANSMISSION ASSY

24 - WATER INLET AND FILLER HOSE

25 - WATER INLET AND FILLER HOSE

CONTACT INFOMATION

ADDRESS

622 N Federal Hwy, Boynton Beach FL 33435

PHONE

1-877-788-5464(KING)

EMAIL

support@appliancepartsking.com

Facebook-f X-twitter Instagram

CONTACT INFOMATION

Get all the latest information on Events, Sales and Offers. Sign up for newsletter today.

My Account

  • Register / Sign In
  • Order Tracking
  • Wishlist

Infomation

  • Blog
  • Contact Us
  • Privacy Policy
  • Terms & Conditions
  • FAQ’s

Customer Services

  • Shipping & Returns
  • Secure Shopping
  • International Shipping
  • Affiliates
  • Contact

Payment & Shipping

  • Terms of Use
  • Payment Methods
  • Shipping Guide
  • Locations We Ship To
  • Estimated Delivery Time

© Copyright Appliance Parts King. All Rights Reserved.

Main Menu x
  • Home
  • Shop by Brand
  • Blog
  • About Us
  • Contact Us
  • Refrigerators
  • Freezers
  • Ice Machines
  • Washing Machines
  • Dryers
  • Dishwashers
  • Ovens / Ranges / Cooktops
  • Garbage Disposal