No products in the cart.
01 - CONTROL PANEL
02 - DETERGENT CUP
03 - DOOR DETAILS
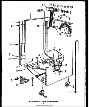
04 - FRAME DETAILS
05 - MOTOR
06 - Page 3
07 - RACK DETAILS