No products in the cart.
01 - CONTROL PANEL
02 - DETERGENT CUP
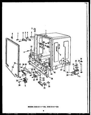
03 - DOOR DETAILS
04 - MOTOR
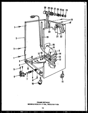
05 - Page 4
06 - Page 6
07 - RACK DETAILS
08 - TOP DETAILS