No products in the cart.
01 - CABINET-FRONT
02 - CABINET-REAR
03 - CONTROL PANEL
04 - DOOR
05 - HEATER
06 - MOTOR DRIVE
07 - TUMBLER
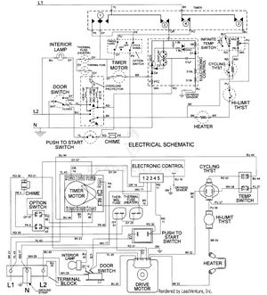
08 - WIRING INFORMATION