No products in the cart.
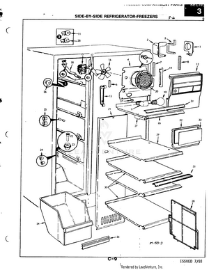
01 - FREEZER COMPARTMENT
02 - FREEZER DOOR
03 - FRESH FOOD COMPARTMENT
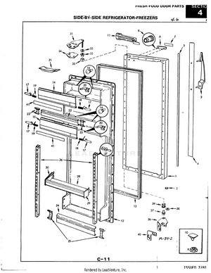
04 - FRESH FOOD DOOR
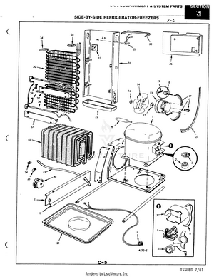
05 - UNIT COMPARTMENT & SYSTEM