No products in the cart.
01 - BODY
02 - CONTROL PANEL
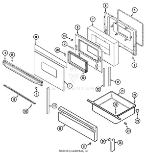
03 - DOOR/DRAWER (SERIES 01)
04 - DOOR/DRAWER (SERIES 44)
05 - OVEN/BASE
06 - TOP ASSEMBLY
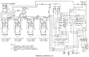
07 - WIRING INFORMATION