No products in the cart.
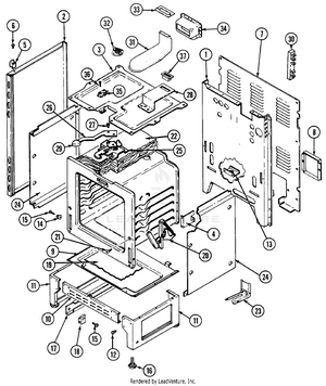
01 - BODY
02 - CONTROL PANEL
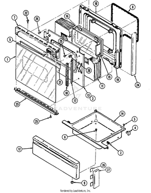
03 - DOOR/DRAWER (3889VRV, 3889VRA)
04 - DOOR/DRAWER (SER. PRE. 34)
05 - OVEN
06 - TOP ASSEMBLY
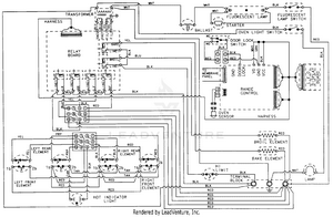
07 - WIRING INFORMATION