No products in the cart.
01 - BODY (LOWER)
02 - BODY (UPPER)
03 - DOOR/DRAWER
04 - INTERNAL CONTROLS
05 - MICROWAVE
06 - OVEN (LOWER)
07 - TOP ASSEMBLY
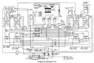
08 - WIRING INFORMATION