No products in the cart.
01 - BODY (AAH)
02 - DOOR/DRAWER (AAH)
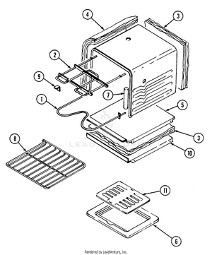
03 - OVEN (AAH)
04 - TOP ASSEMBLY/CONTROL PANEL (AAH)
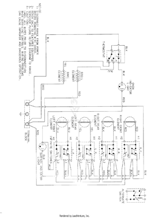
05 - WIRING INFORMATION (AAH)