No products in the cart.
01 - BODY
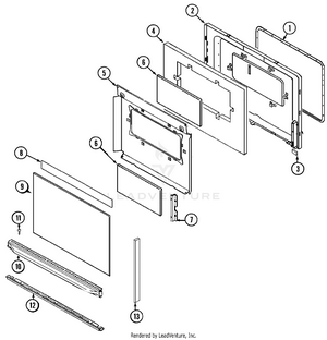
02 - DOOR
03 - OVEN/BASE
04 - TOP ASSEMBLY
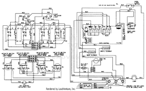
05 - WIRING INFORMATION