No products in the cart.
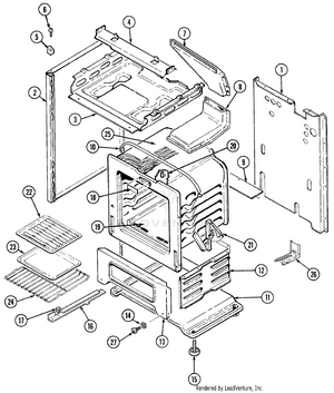
01 - BODY/OVEN
02 - GAS CONTROLS (ELECTRONIC)
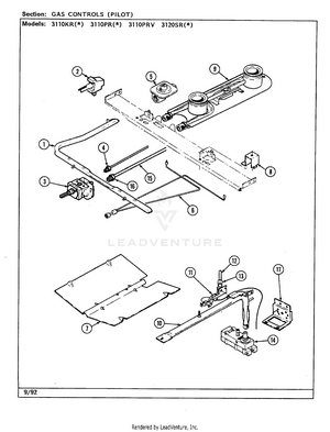
03 - GAS CONTROLS (PILOT)
04 - TOP ASSEMBLY/CONTROL PANEL