No products in the cart.
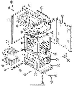
01 - BODY/OVEN
02 - CONTROL PANEL
03 - DOOR/DRAWER
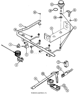
04 - GAS CONTROLS
05 - TOP ASSEMBLY