No products in the cart.
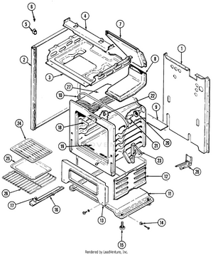
01 - BODY/OVEN
02 - CONTROL PANEL/TOP ASSEMBLY
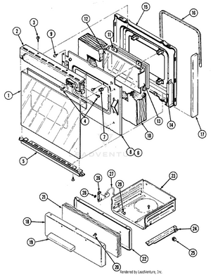
03 - DOOR/DRAWER
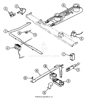
04 - GAS CONTROLS (ELECTRONIC)