No products in the cart.
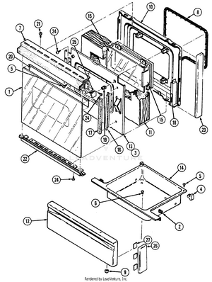
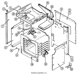
01 - BODY
02 - CONTROL PANEL
03 - DOOR/DRAWER (3468XRx)
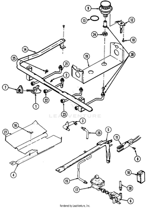
04 - GAS CONTROLS
05 - OVEN
06 - TOP ASSEMBLY
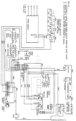
07 - WIRING INFORMATION