No products in the cart.
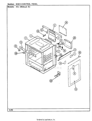
01 - BODY/CONTROL PANEL
02 - CONTROL PANEL
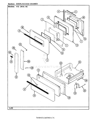
03 - DOOR/ACCESS DRAWER
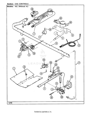
04 - GAS CONTROLS
05 - OVEN
06 - TOP ASSEMBLY