No products in the cart.
01 - BODY
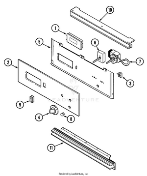
02 - CONTROL PANEL
03 - DOOR (9512WUx)
04 - INTERNAL CONTROLS
05 - OVEN
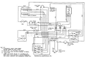
06 - WIRING INFORMATION