No products in the cart.
01 - BODY
02 - CONTROL PANEL
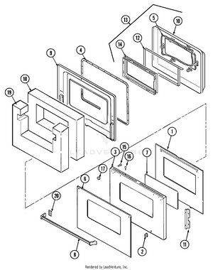
03 - DOOR (LOWER)
04 - DOOR (UPPER)
05 - OVEN
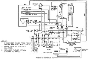
06 - WIRING INFORMATION