No products in the cart.
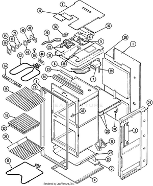
01 - BODY
02 - CONTROL PANEL
03 - DOOR ASSEMBLY-LOWER (SERIES 01)
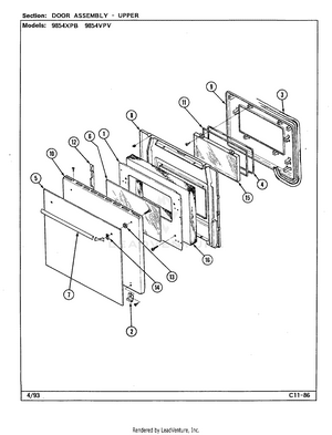
04 - DOOR ASSEMBLY-UPPER
05 - DOOR ASSEMBLY-UPPER
06 - DOOR-LOWER (SERIES 10)