No products in the cart.
01 - TOP AND CONSOLE PARTS
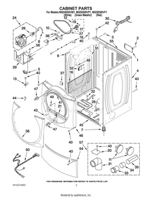
02 - CABINET PARTS
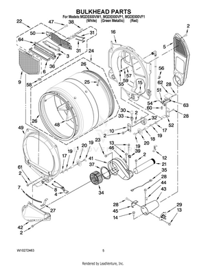
03 - BULKHEAD PARTS
04 - 8576353 BURNER ASSEMBLY
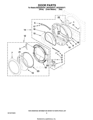
05 - DOOR PARTS
06 - OPTIONAL PARTS (NOT INCLUDED)