No products in the cart.
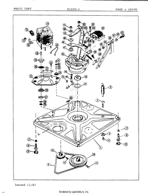
01 - BASE & DRIVE
02 - CONTROL PANEL
03 - EXTERIOR
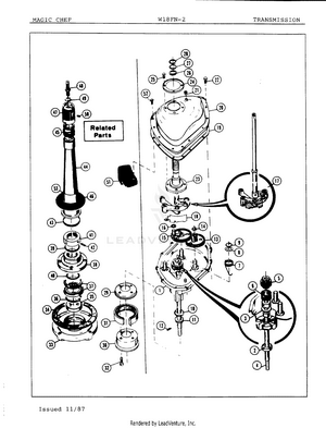
04 - TRANSMISSION
05 - TUB
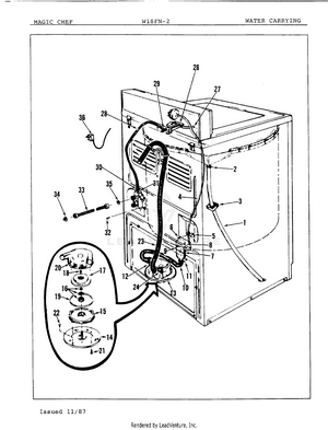
06 - WATER CARRYING