No products in the cart.
01 - BODY
02 - CONTROL PANEL
03 - DOOR
04 - INTERNAL CONTROLS
05 - OVEN
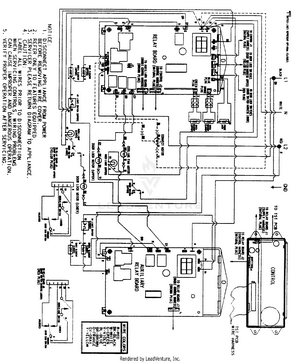
06 - WIRING INFORMATION