No products in the cart.
01 - BODY
02 - CONTROL PANEL
03 - DOOR/DRAWER
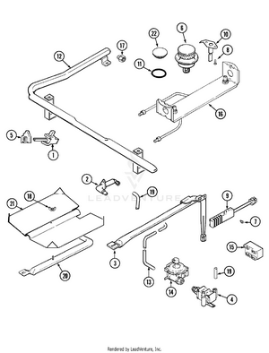
04 - GAS CONTROLS
05 - OVEN/BASE
06 - TOP ASSEMBLY
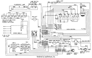
07 - WIRING INFORMATION
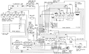
08 - WIRING INFORMATION