No products in the cart.
01 - BODY
02 - DOOR/DRAWER
03 - GAS CONTROLS
04 - OVEN/BASE
05 - TOP ASSEMBLY
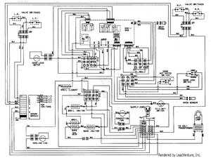
06 - WIRING INFORMATION