No products in the cart.
01 - BODY
02 - CONTROL PANEL
03 - DOOR/DRAWER
04 - OVEN/BASE
05 - TOP ASSEMBLY
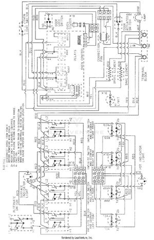
06 - WIRING INFORMATION