No products in the cart.
01 - BLOWER ASSEMBLY-PLENUM
02 - BODY
03 - TOP ASSEMBLY
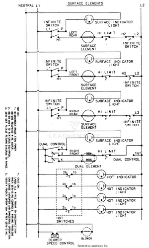
04 - WIRING INFORMATION