No products in the cart.
01 - CHEST OF DRAWERS
02 - FREEZER COMPARTMENT
03 - FRESH FOOD COMPARTMENT
04 - ICE MAKER
05 - SHELVES & ACCESSORIES
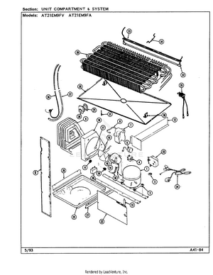
06 - UNIT COMPARTMENT & SYSTEM