No products in the cart.
01 - CONTROL PANEL
02 - CABINET-FRONT
03 - DOOR
04 - CABINET-REAR
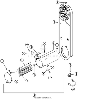
05 - TUMBLER
06 - HEATER
07 - MOTOR DRIVE
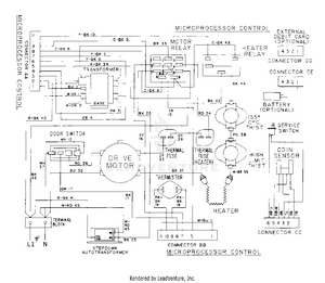
08 - WIRING INFORMATION
09 - CONTROL CENTER