No products in the cart.
01 - BASE
02 - CONTROL PANEL
03 - MOTOR & PUMP
04 - TRANSMISSION
05 - TUB
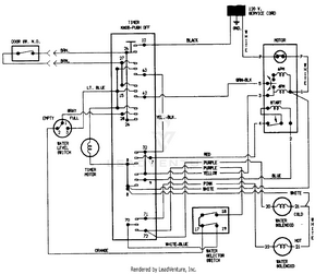
06 - WIRING INFORMATION