No products in the cart.
01 - FREEZER COMPARTMENT
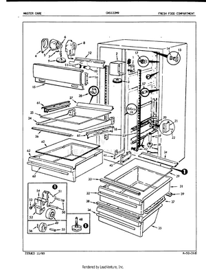
02 - FRESH FOOD COMPARTMENT
03 - UNIT COMPARTMENT & SYSTEM
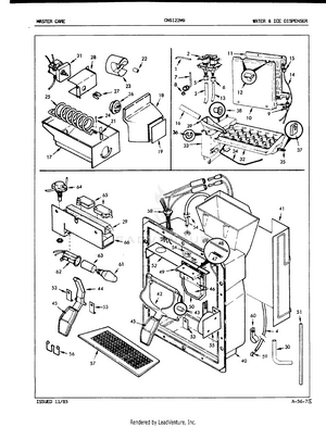
04 - WATER & ICE DISPENSER