No products in the cart.
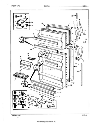
01 - DOORS
02 - FREEZER COMPARTMENT
03 - FRESH FOOD COMPARTMENT
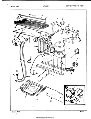
04 - UNIT COMPARTMENT & SYSTEM