No products in the cart.
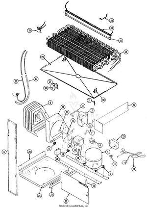
01 - FREEZER COMPARTMENT
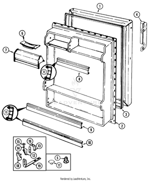
02 - FREEZER DOOR
03 - FRESH FOOD COMPARTMENT
04 - FRESH FOOD DOOR
05 - SHELVES & ACCESSORIES
06 - UNIT COMPARTMENT & SYSTEM