No products in the cart.
01 - BODY
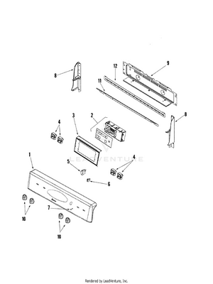
02 - CONTROL PANEL
03 - DOOR/DRAWER
04 - OVEN/BASE
05 - SUPPLEMENTAL INFORMATION
06 - TOP ASSEMBLY
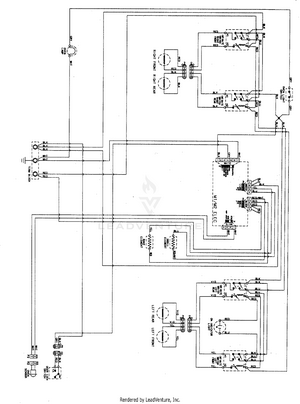
07 - WIRING INFORMATION