No products in the cart.
01 - CABINET
02 - CAVITY
03 - CONTROL PANEL/TOP ASSEMBLY
04 - DOOR/DRAWER
05 - SUPPLEMENTAL INFORMATION
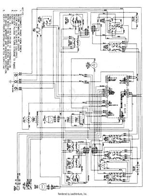
06 - WIRING INFORMATION
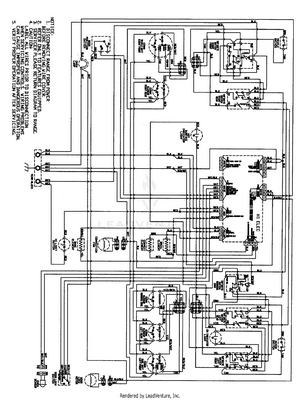
07 - WIRING INFORMATION (SERIES 12)