No products in the cart.
01 - BODY
02 - CONTROL PANEL
03 - DOOR/DRAWER (ACC)
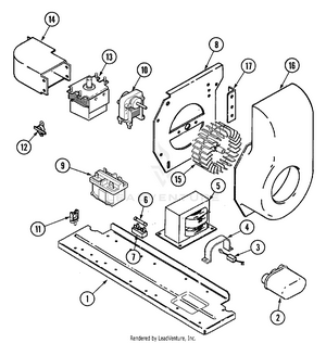
04 - MICROWAVE COMPONENTS
05 - OVEN/BASE
06 - STIRRER ASSEMBLY
07 - TOP ASSEMBLY
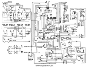
08 - WIRING INFORMATION