No products in the cart.
01 - BODY
02 - CONTROL PANEL/TOP ASY
03 - DOOR/DRAWER
04 - OVEN/BASE
05 - SUPPLEMENTAL INFORMATION
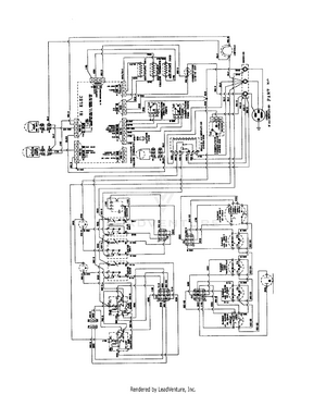
06 - WIRING INFORMATION
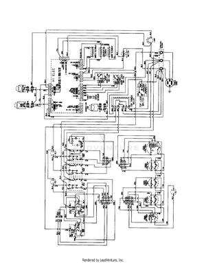
07 - WIRING INFORMATION (FRENCH)