No products in the cart.
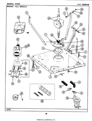
01 - BASE
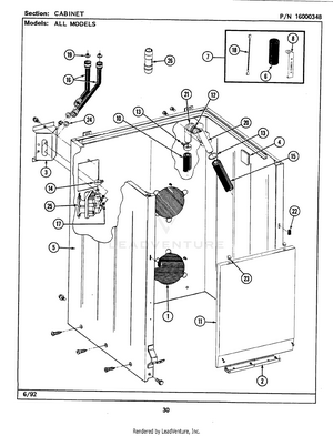
02 - CABINET
03 - CLUTCH, BRAKE & BELTS
04 - CONTROL PANEL
05 - TOP
06 - TRANSMISSION
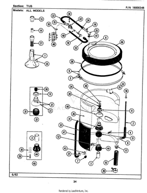
07 - TUB