No products in the cart.
01 - BASE
02 - CABINET
03 - CONTROL PANEL
04 - TOP
05 - TRANSMISSION
06 - TUB
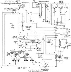
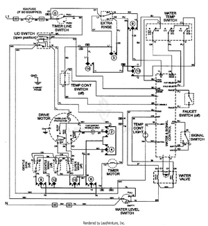
07 - WIRING INFORMATION
08 - WIRING INFORMATION