No products in the cart.
01 - BASE & MOTOR
02 - CABINET & FRONT PANEL
03 - CONTROL PANEL & TOP
04 - INNER - OUTER TUB
05 - SUPPLEMENTAL INFORMATION
06 - TRANSMISSION
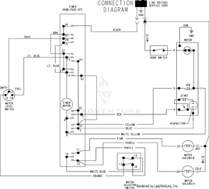
07 - WIRING INFORMATION