No products in the cart.
01 - COVER SHEET
02 - TOP AND CABINET PARTS
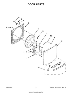
03 - DOOR PARTS
04 - CONTROL PANEL PARTS
05 - DISPENSER PARTS
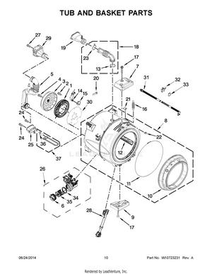
06 - TUB AND BASKET PARTS
07 - OPTIONAL PARTS (NOT INCLUDED)